发布时间:2018-09-18
浏览次数:150
350vip浦京集团官网海洋科学学院采购询比价公告
350vip浦京集团官网海洋科学学院因教学与科研工作需要,依据《中华人民共和国政府采购法》、《上海市政府采购管理办法》、《350vip浦京集团官网采购管理办法(试行)》等法律法规及制度,现进行询比价采购以下设备,欢迎具备相应资质和实力的供应商参与报价。
一、采购需求及技术要求:
序号 | 名称 | 规格要求 | 数量 | 交货期 |
1 | 观察窗窗座一批 | 详见技术要求 | 1 | 合同签订后30天 |
注:本次询价设备未进行政府采购进口产品专家论证,只能购买国产产品。 | ||||
设备功能:深渊科学技术与中心,需要全海深载人潜水器玻璃观察窗窗座一批,用于观察窗验证试验。
技术要求和参数:
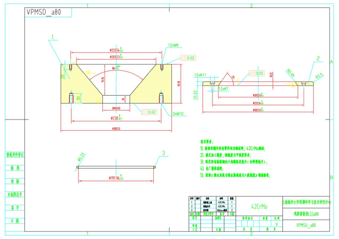
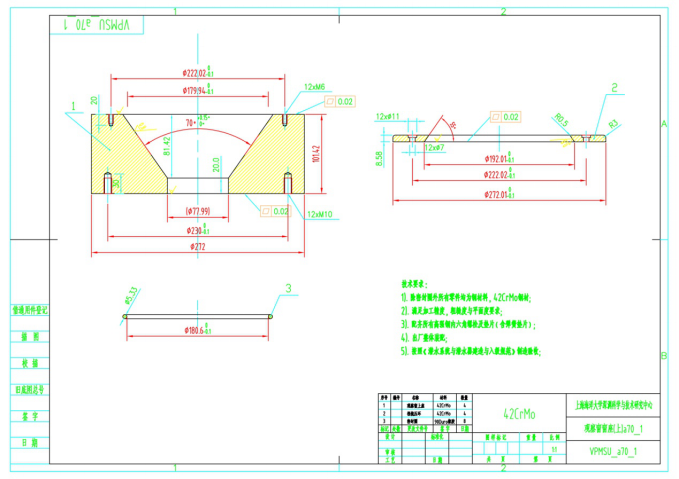
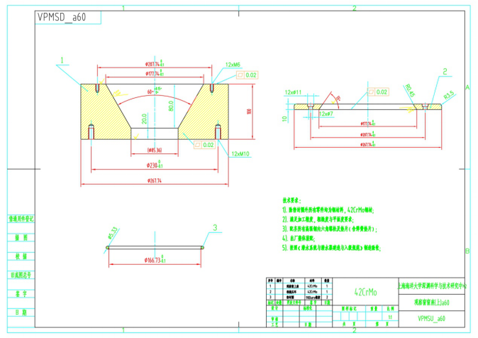
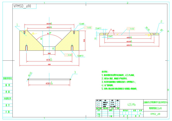
1. 窗座钢材为42CrMo,厂家最终提供完整的材质说明书和原材料及加工过程的质量检测合格证书等;
2. 窗玻璃支撑面(包含压环上的接触面)粗糙度不高于0.8,密封对接接触面不高于1.6;
3. 视镜压环和窗座平对接面的平面度不高于0.02;
4. 密封圈截面要求为标准尺寸的正公差;
5. 配齐图纸标识所有内六角螺栓和垫片(含弹簧垫片),及相应数量备件;
6. 关键加工过程步骤必须与设计单位(甲方)沟通确认,加工过程接受和配合甲方人员现场监督,允许甲方根据实际情况和需求对加工件结构局部尺寸的变更调整;
7. 窗模型上、下座加工完毕后在厂家现场完成与窗玻璃的整体装配(甲方提供整体装配图纸),甲方人员现场确认无误;且装配过程中乙方必须确保甲方所提供玻璃的完好无损,如有损坏,乙方承担责任和赔偿;
8. 厂家具备承压容器设备气密性检测条件和出具整体装配后的气密性检测方案;
9. 所有模型产品现场装配后必须经过气密性检测(按承受外压容器的气密性检测规范相关要求),甲方人员必须在场监督;
10. 根据甲方压力筒设备状况提供套简单的试验工装;
11. 按照后面的图纸进行加工。
注:本次询价设备未进行政府采购进口设备专家论证,只购买国产产品。
二、对响应单位的资格要求
合格的供应商除具备政府采购法第二十二条规定的条件外还应具备的资格条件:
1.具有独立法人资格及相应经营范围,有相应的履约能力,财务状况良好;
2.供应商具有良好的信誉和相应产品的销售业绩,参加政府采购活动近三年内没有违法犯罪记录;
3.供应商应遵守有关的中国法律和规章条例,依法纳税及缴纳社保;
4. 代理商报价的,须取得制造商针对本次报价的授权。
三、质量保证措施及期限
1.产品质量承诺:报价文件必须明确各类报价产品的质量指标,达到国家及行业相关标准;要求针对附件“规格要求”逐项列出技术规格偏离表。
2.质量保修:免费质保1年(含)以上。
3.响应时间:须2小时内响应,4小时内到现场解决问题。
4.报价单位须在上海有常驻机构或相应的维保队伍,能提供良好的技术支持和售后服务。
四、报价及付款方式
1、报价方式:DDP350vip浦京集团官网或指定地点;人民币含税价格。
2、付款方式:合同签订,交货验收合格后,凭供应商开具的正式发票,一次性支付货款
五、报价文件组成及递交
1. 报价文件需包含:报价一览表(含价格明细);商务及规格要求偏离表;报价单位简介;营业执照或注册证书等资质文件;法定代表人授权及被授权人身份证明;制造商授权函(如有);售后服务承诺书;联系人、联系电话、电子邮箱等信息。
2. 报价文件要求一式二份,加盖公章后密封。
3. 递交方式:送达或快递。
六、其他
1. 报价有效期:询比价公告发布之日起3个工作日。
2. 报价文件接收人:李长安
3. 联系方式:15692107507;Email:cali@shou.edu.cn
4.地址:上海市浦东新区海基六路218弄1号楼402室。
350vip浦京集团官网海洋科学学院零星采购工作小组
2018年 月 日





